Şimdi Soruşturma Gönderin
Ürün özellikleri:
Hassas işlenmiş diş yapısı, kayış ve kasnak arasında sıkı bir kavrama sağlayarak kaymayı ve hizasızlığı etkili bir şekilde önler.
Hassas iletim oranı, yüksek konumlandırma hassasiyeti gerektiren hafif taşıma ekipmanları için uygun olmasını sağlar.
Diş aralığı ve özellikleri uluslararası standartlara (MXL, XL, L, H vb.) uygun olup, kolay değiştirme ve değiştirilebilirlik sağlar.
Şanzıman verimliliği %98'in üzerinde olup, güç kaybı minimumdur.
Çalışma sırasındaki yumuşak kavrama, düşük titreşim ve düşük gürültü, onu ofisler ve gıda işleme gibi gürültüye duyarlı ortamlar için ideal hale getirir.
Düşük sürtünmeli tasarım, kayış ve kasnak aşınmasını azaltır ve hizmet ömrünü uzatır.
Standart delikler, kama kanalları, ayar vidaları ve genleşme kovanları dahil olmak üzere çeşitli montaj arayüzleri mevcuttur.
Kompakt tasarımı konveyör sistemlerine entegrasyonu kolaylaştırır ve ekipman alanından tasarruf sağlar.
Kapsamlı ekipman sökümüne gerek kalmadan değiştirme işlemi kolaydır.
Orta tork iletimi, hafif hizmet tipi taşıma ve yüksek hızlı uygulamalar için tasarlanmış, birden fazla hatve aralığında (MXL 2.032 mm, XL 5.08 mm, L 9.525 mm) güvenilir güç aktarım çözümleri sunar. Hassas mühendislikle tasarlanmış MXL konfigürasyonu, kompakt ekipmanlardaki yüksek hızlı tahrik gereksinimlerini karşılar; çok yönlü XL profili çeşitli yüksek hızlı senaryolar için uygundur; sağlam L serisi yapı ise gelişmiş yapısal bütünlüğü üstün doğrusal hız toleransıyla birleştirir. Bu kasnaklar, otomasyon hatları, kompakt makineler ve malzeme taşıma sistemleri için en uygun çözümü sunar.
Zamanlama Kasnağı MXL
| Tip | Malzeme | Yüzey İşlem | ||||
| Kemer Genişliği: 4,8 mm (3/16 inç) | Kemer Genişliği: 6,4 mm (1/4 inç) | Kemer Genişliği: 9,5 mm (3 /8 inç) | Kemer Genişliği: 12,7 mm (1 /2 inç) | Kasnak | Flanş | |
| A:6 G:10 U:16,5 | A:7,5 G:11,5 U:18 | A:11 G: 15 U: 22 | A:14 G:1 9 U:25 | |||
| AW**MXL019 | AW**MXL025 | AW**MXL037 | AW**MXL050 | 6061 | 6061 | Doğal Eloksal |
| AB**MXL019 | AB**MXL025 | AB**MXL037 | AB**MXL050 | Siyah Eloksal | ||
| AH**MXL019 | AH**MXL025 | AH**MXL037 | AH**MXL050 | Sert Eloksal Kaplama | ||
| AN**MXL019 | AN**MXL025 | AN**MXL037 | AN**MXL050 | Nikel Kaplama | ||
| - | SF**MXL025 | SF**MXL037 | - | S45C | S45C | Siyah Oksit Kaplama |
| - | SN**MXL025 | SN**MXL037 | - | Nikel Kaplama | ||
| - | SU**MXL025 | SU**MXL037 | - | SUS303 | - | |
Zamanlama Kasnağı XL
| Tip | Malzeme | Yüzey İşlem | ||||
| Kemer Genişliği: 6,4 mm (1/4 inç) | Kemer Genişliği: 7,9 mm (5/16 inç) | Kemer Genişliği: 9,5 mm (3 /8 inç) | Kemer Genişliği: 12,7 mm (1 /2 inç) | Kasnak | Flanş | |
| A:7,5 G:12,5 U:21 | A:9 G:14 U:23 | A:11 G:16 U:25 | A:14 G:19 U:28 | |||
| AW**XL025 | AW**XL031 | AW**XL037 | AW**XL050 | 6061 | 6061 | Doğal Eloksal |
| AB**XL025 | AB**XL031 | AB**XL037 | AB**XL050 | Siyah Eloksal | ||
| AH**XL025 | AH**XL031 | AH**XL037 | AH**XL050 | Sert Eloksal Kaplama | ||
| AN**XL025 | AN**XL031 | AN**XL037 | AN**XL050 | Nikel Kaplama | ||
| SF**XL025 | - | SF**XL037 | SF**XL050 | S45C | SPCC | Siyah Oksit Kaplama |
| SN**XL025 | - | SN**XL037 | SN**XL050 | Nikel Kaplama | ||
| SU**XL025 | - | SU**XL037 | SU**XL050 | SUS303 | - | |
Zamanlama Kasnağı L
| Tip | Malzeme | Yüzey İşlem | ||||
| Kemer Genişliği: 12,7 mm (1/2 inç) | Kemer Genişliği: 19,1 mm (3/4 inç) | Kemer Genişliği: 25,4 mm (1 inç) | Kemer Genişliği: 38,1 mm (1,5 inç) | Kasnak | Flanş | |
| A:14 G:19 U:31(39) | A:21 G:26 U:38(46) | A:27 G:32 U:44(53) | A:40 G:45 U:57 | |||
| AW**L050 | AW**L075 | AW**L100 | AW**L150 | 6061 | 6061 | Doğal Eloksal |
| AB**L050 | AB**L075 | AB**L100 | AB**L150 | Siyah Eloksal | ||
| AH**L050 | AH**L075 | AH**L100 | AH**L150 | Sert Eloksal Kaplama | ||
| AN**L050 | AN**L075 | AN**L100 | AN**L150 | Nikel Kaplama | ||
| SF**L050 | SF**L075 | SF**L100 | SF**L150 | S45C | SPCC | Siyah Oksit Kaplama |
| SN**L050 | SN**L075 | SN**L100 | SN**L150 | Nikel Kaplama | ||
Zamanlama Kasnağı H
| Tip | Malzeme | Yüzey İşlem | ||||
| Kemer Genişliği: 19,1 mm (3/4 inç) | Kemer Genişliği: 25,4 mm (1 inç) | Kemer Genişliği: 38,1 mm (1,5 inç) | Kemer Genişliği: 50,8 mm (2 inç) | Kasnak | Flanş | |
| A:21 G:26 U:41 | A:27 G:32 U:47 | A:40 G:45 U:60 | A:54 G:59 U:74 | |||
| AW**H075 | AW**H100 | AW**H150 | AW**H200 | 6061 | 6061 | Doğal Eloksal |
| AB**H075 | AB**H100 | AB**H150 | AB**H200 | Siyah Eloksal | ||
| AH**H075 | AH**H100 | AH**H150 | AH**H200 | Sert Eloksal Kaplama | ||
| AN**H075 | AN**H100 | AN**H150 | AN**H200 | Nikel Kaplama | ||
| SF**H075 | SF**H100 | SF**H150 | SF**H200 | S45C | SPCC | Siyah Oksit Kaplama |
| SN**H075 | SN**H100 | SN**H150 | SN**H200 | Nikel Kaplama | ||
Zamanlama Kasnağı MXL

Zamanlama Kasnağı XL

Zamanlama Kasnağı L

Zamanlama Kasnağı H

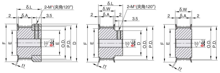
Diş Profili ① Kasnak Profili
Tip K Tip B Tip A

△'den sonraki sayı: Diş sayısı: 23 veya daha az
Diş sayısına bağlı olarak oluk boyutları biraz değişebilir. Diş aralığı (2,032 mm)
H (yuvarlak delik), V, F (kademeli delik) ve Y (her iki uçta kademeli delik) şaft deliği spesifikasyonları için dişli delik yoktur.
Mil deliğinin iç kısmı yüzey işlemine tabi tutulmamış olabilir.
* A tipi kasnaklar ve P veya N şaft delikleri için, iki dişli delik diş oluğunun merkezinden yaklaşık 120° veya 90° uzaklıkta yer alır.
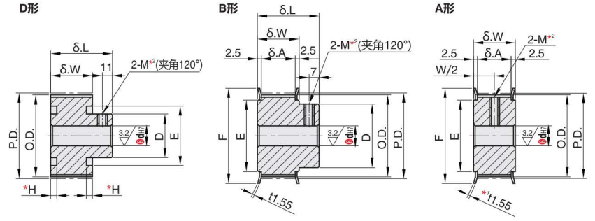
Diş Profili ① Kasnak Profili
B Tipi A Tipi

Diş oluğu boyutları, diş sayısına bağlı olarak biraz değişiklik gösterir. Diş aralığı (5,08 mm)
H (yuvarlak delik), V, F (kademeli delik) ve Y (her iki uçta kademeli delik) şaft deliği spesifikasyonları için dişli delik yoktur.
Mil deliğinin iç kısmı yüzey işlemine tabi tutulmamış olabilir.
H boyutu: L50 = 5; L075 = 8; L100 = 11
* A tipi kasnaklar ve P veya N şaft delikleri için, iki dişli delik diş oluğunun merkezinden yaklaşık 120° veya 90° uzaklıkta yer alır.
Diş Profili ① Kasnak Profili
Diş oluğu boyutları, diş sayısına bağlı olarak biraz değişiklik gösterir. Diş aralığı (9,525 mm)
60 veya 72 diş için t = 2 (kesilmiş kaburgalar).
H (yuvarlak delik), V, F (kademeli delik) ve Y (her iki uçta kademeli delik) şaft deliği spesifikasyonları için dişli delik bulunmamaktadır.
Mil deliğinin iç kısmı yüzey işlemine tabi tutulmamış olabilir.
H boyutu: L50 = 5; L075-8; L100 = 11
L ölçüleri (parantez içinde) 60 ila 72 dişler içindir.
* A tipi konfigürasyonlu ve P veya N tipi şaft deliklerine sahip kasnaklarda, iki dişli delik diş oluğunun merkezinden yaklaşık 120° veya 90° uzaklıkta yer alır.
Diş Profili ① Kasnak Profili

△'den sonraki sayı: Diş sayısı: 19 veya daha az.
Diş sayısına bağlı olarak kanal ölçüleri ufak farklılıklar gösterebilir. Diş aralığı (12,7 mm).
38-50 dişler için t=2 (kaburga kesimi).
H (yuvarlak delik), V, F (kademeli delik) ve Y (her iki uçta kademeli delik) şaft deliği spesifikasyonları için dişli delik bulunmamaktadır.
Mil deliğinin iç kısmı yüzey işlemine tabi tutulmamış olabilir.
H boyutu: H100 = 11; H150 = 14
* A tipi ve mil delikleri P veya N olan kasnaklarda, iki dişli delik, oluğun merkezinden yaklaşık 120° veya 90° uzaklıkta yer alır.