Şimdi Soruşturma Gönderin
Ürün özellikleri:
Optimize edilmiş diş profili tasarımı, geniş bir temas alanı ve geliştirilmiş kavrama kuvveti sağlayarak aynı çapta daha yüksek tork çıkışına dayanabilmesini sağlar.
Optimize edilmiş malzeme mukavemeti ve diş profili sertliği, yüksek yüklerden kaynaklanan diş deformasyonunu azaltır.
Ağır yük şanzımanları, sık hızlanma ve kalkışlar, yüksek darbeli çalışma ortamları için uygundur.
Diş kökü fileto geçiş tasarımı, stres konsantrasyonunu azaltır ve yorulma ömrünü iyileştirir.
Helisel dişler veya özel diş profilleri gürültüyü etkili bir şekilde azaltır ve birleştirme düzgünlüğünü iyileştirir.
Pürüzsüz diş yüzeyleri kayış aşınmasını azaltır ve kayış ömrünü uzatır.
HTD Kavisli Dişli Zamanlama Kasnakları (2 mm/3 mm/5 mm/8 mm diş aralıklarında mevcuttur), orta-düşük hızlı ağır hizmet tipi tahrikler için yüksek tork kapasitesi sunar. Geliştirilmiş SM Testereli Kavisli serisi, yüksek tork ve yüksek hızlı şanzımanlarla çığır açan bir uyumluluk sağlarken, PM Kavisli Dişli serisi, üstün viraj alma uyumluluğu ve ultra sessiz çalışma özellikleriyle yüksek hızlı hassas taşıma uygulamaları için ideal bir çözümdür.
Zamanlama Kasnağı S2M
| Tip | Malzeme | Yüzey İşlem | |||
| Kemer Genişliği: 4mm | Kemer Genişliği: 6mm | Kemer Genişliği: 10mm | Kasnak | Flanş | |
| A:5 G:9 U:17 | A:7 G:11 U:19 | A:11 G: 15 U: 23 | |||
| AW**S2M040 | AW**S2M060 | AW**S2M100 | 6061 | 6061 | Doğal Eloksal |
| AB**S2M040 | AB**S2M060 | AB**S2M100 | Siyah Eloksal | ||
| AH**S2M040 | AH**S2M060 | AH**S2M100 | Sert Eloksal Kaplama | ||
| AN**S2M040 | AN**S2M060 | AN**S2M100 | Nikel Kaplama | ||
| SF**S2M040 | SF**S2M060 | SF**S2M100 | S45C | SPCC | Siyah Oksit Kaplama |
| SN**S2M040 | SN**S2M060 | SN**S2M100 | Nikel Kaplama | ||
| SU**S2M040 | SU**S2M060 | SU**S2M100 | SUS303 | - | |
Zamanlama Kasnağı S3M
| Tip | Malzeme | Yüzey İşlem | |||
| Kemer Genişliği: 6mm | Kemer Genişliği: 10mm | Kemer Genişliği: 15mm | Kasnak | Flanş | |
| A:7 G:11 U:19 | A:11 G:15 U:23 | A:17 G: 21 U: 29 | |||
| AW**S3M060 | AW**S3M100 | AW**S3M150 | 6061 | 6061 | Doğal Eloksal |
| AB**S3M060 | AB**S3M100 | AB**S3M150 | Siyah Eloksal | ||
| AH**S3M060 | AH**S3M100 | AH**S3M150 | Sert Eloksal Kaplama | ||
| AN**S3M060 | AN**S3M100 | AN**S3M150 | Nikel Kaplama | ||
| SF**S3M060 | SF**S3M100 | SF**S3M150 | S45C | SPCC | Siyah Oksit Kaplama |
| SN**S3M060 | SN**S3M100 | SN**S3M150 | Nikel Kaplama | ||
| SU**S3M060 | SU**S3M100 | SU**S3M150 | SUS303 | - | |
Zamanlama Kasnağı S5M
| Tip | Malzeme | Yüzey İşlem | |||
| Kemer Genişliği: 10mm | Kemer Genişliği: 15mm | Kemer Genişliği: 25mm | Kasnak | Flanş | |
| A:11 G:16 U:28 | A:17 G:22 U:34 | A:27 G: 32 U: 44 | |||
| AW**S5M100 | AW**S5M150 | AW**S5M250 | 6061 | 6061 | Doğal Eloksal |
| AB**S5M100 | AB**S5M150 | AB**S5M250 | Siyah Eloksal | ||
| AH**S5M100 | AH**S5M150 | AH**S5M250 | Sert Eloksal Kaplama | ||
| AN**S5M100 | AN**S5M150 | AN**S5M250 | Nikel Kaplama | ||
| SF**S5M100 | SF**S5M150 | SF**S5M250 | S45C | SPCC | Siyah Oksit Kaplama |
| SN**S5M100 | SN**S5M150 | SN**S5M250 | Nikel Kaplama | ||
| SU**S5M100 | SU**S5M150 | - | SUS303 | - | |
Zamanlama Kasnağı S8M
| Tip | Malzeme | Yüzey İşlem | ||||
| Kemer Genişliği: 15mm | Kemer Genişliği: 25mm | Bant Genişliği: 30mm | Bant Genişliği: 40mm | Kasnak | Flanş | |
| A:17 G:22 U:37(42) | A:28 G:33 U:48(53) | A:33 G: 38 U: 53(58) | A:44 G:49 U:64(69) | |||
| AW**S8M150 | AW**S8M250 | AW**S8M300 | AW**S8M400 | 6061 | 6061 | Doğal Eloksal |
| AB**S8M150 | AB**S8M250 | AB**S8M300 | AB**S8M400 | Siyah Eloksal | ||
| AH**S8M150 | AH**S8M250 | AH**S8M300 | AH**S8M400 | Sert Eloksal Kaplama | ||
| AN**S8M150 | AN**S8M250 | AN**S8M300 | AN**S8M400 | Nikel Kaplama | ||
| SF**S8M150 | SF**S8M250 | SF**S8M300 | SF**S8M400 | S45C | SPCC | Siyah Oksit Kaplama |
| SN**S8M150 | SN**S8M250 | SN**S8M300 | SN**S8M400 | Nikel Kaplama | ||
Zamanlama Kasnağı HTD3M
| Tip | Malzeme | Yüzey İşlem | |||
| Kemer Genişliği: 6mm | Kemer Genişliği: 10mm | Kemer Genişliği: 15mm | Kasnak | Flanş | |
| A:7 G:11 U:19 | A:11 G: 15 U: 23 | A:17 G: 21 U: 29 | |||
| AW--3M060 | AW--3M100 | AW--3M150 | 6061 | 6061 | Doğal Eloksal |
| AB--3M060 | AB--3M100 | AB--3M150 | Siyah Eloksal | ||
| AH--3M060 | AH--3M100 | AH--3M150 | Sert Eloksal Kaplama | ||
| AN--3M060 | AN--3M100 | AN--3M150 | Nikel Kaplama | ||
| SF--3M060 | SF--3M100 | SF--3M150 | S45C | SPCC | Siyah Oksit Kaplama |
| SN--3M060 | SN--3M100 | SN--3M150 | Nikel Kaplama | ||
| SU--3M060 | SU--3M100 | SU--3M150 | SUS303 | - | |
Zamanlama Kasnağı HTD5M
| Tip | Malzeme | Yüzey İşlem | |||
| Kemer Genişliği: 10mm | Kemer Genişliği: 15mm | Kemer Genişliği: 25mm | Kasnak | Flanş | |
| A:11 G:16 U:28 | A:17 G:22 U:34 | A:27 G: 32 U: 44 | |||
| AW--5M100 | AW--5M150 | AW--5M250 | 6061 | 6061 | Doğal Eloksal |
| AB--5M100 | AB--5M150 | AB--5M250 | Siyah Eloksal | ||
| AH--5M100 | AH--5M150 | AH--5M250 | Sert Eloksal Kaplama | ||
| AN--5M100 | AN--5M150 | AN--5M250 | Nikel Kaplama | ||
| SF--5M100 | SF--5M150 | SF--5M250 | S45C | SPCC | Siyah Oksit Kaplama |
| SN--5M100 | SN--5M150 | SN--5M250 | Nikel Kaplama | ||
| SU--5M100 | SU--5M150 | - | SUS303 | - | |
Zamanlama Kasnağı HTD8M
| Tip | Malzeme | Yüzey İşlem | ||||
| Kemer Genişliği: 15mm | Kemer Genişliği: 25mm | Bant Genişliği: 30mm | Bant Genişliği: 40mm | Kasnak | Flanş | |
| A:17 G:22 U:37(42) | A:28 G:33 U:48(53) | A:33 G: 38 U: 53(58) | A:44 G:49 U:64(69) | |||
| AW--8M150 | AW--8M250 | AW--8M300 | AW--8M400 | 6061 | 6061 | Doğal Eloksal |
| AB--8M150 | AB--8M250 | AB--8M300 | AB--8M400 | Siyah Eloksal | ||
| AH--8M150 | AH--8M250 | AH--8M300 | AH--8M400 | Sert Eloksal Kaplama | ||
| AN--8M150 | AN--8M250 | AN--8M300 | AN--8M400 | Nikel Kaplama | ||
| SF--8M150 | SF--8M250 | SF--8M300 | SF--8M400 | S45C | SPCC | Siyah Oksit Kaplama |
| SN--8M150 | SN--8M250 | SN--8M300 | SN--8M400 | Nikel Kaplama | ||
Zamanlama Kasnağı P2M
| Tip | Malzeme | Yüzey İşlem | |
| Kemer Genişliği: 6mm | Kasnak | Flanş | |
| A:7,5 G:11,5 U:20 | |||
| AW**P2M060 | 6061 | 6061 | Doğal Eloksal |
| SF**P2M060 | S45C'ye eşdeğer | SPCC | Siyah Oksit Kaplama |
| SN**P2M060 | Nikel Kaplama | ||
Zamanlama Kasnağı P3M
| Tip | Malzeme | Yüzey İşlem | ||
| Kemer Genişliği: 10mm | Kemer Genişliği: 15mm | Kasnak | Flanş | |
| A:12 G:16 B:23(Diş sayısı 20'den az olduğunda, A=11) | A:17 G:21 U:29 | |||
| AW**P3M100 | AW**P3M150 | 6061 | 6061 | Doğal Eloksal |
| SF**P3M100 | SF**P3M150 | S45C'ye eşdeğer | SPCC | Siyah Oksit Kaplama |
| SN**P3M100 | SN**P3M150 | Nikel Kaplama | ||
Zamanlama Kasnağı P5M
| Tip | Malzeme | Yüzey İşlem | ||
| Kemer Genişliği: 10mm | Kemer Genişliği: 15mm | Kasnak | Flanş | |
| A:11,6 G:16 U:28 | A:16,6 G:21 U:33 | |||
| AW**P5M100 | AW**P5M150 | 6061 | 6061 | Doğal Eloksal |
| AB**P5M100 | AB**P5M150 | Siyah Eloksal | ||
| AH**P5M100 | AH**P5M150 | Sert Eloksal Kaplama | ||
| AN**P5M100 | AN**P5M150 | Nikel Kaplama | ||
| SF**P5M100 | SF**P5M150 | S45C'ye eşdeğer | SPCC | Siyah Oksit Kaplama |
| SN**P5M100 | SN**P5M150 | Nikel Kaplama | ||
Zamanlama Kasnağı P8M
| Tip | Malzeme | Yüzey İşlem | ||
| Kemer Genişliği: 15mm | Kemer Genişliği: 25mm | Kasnak | Flanş | |
| A:16,8 G:22 U:39(44) | A:27,8 G:33 U:50(55) | |||
| AW**P8M150 | AW**P8M250 | 6061 | 6061 | Doğal Eloksal |
| AH**P8M150 | AH**P8M250 | Sert Eloksal Kaplama | ||
| AN**P8M150 | AN**P8M250 | Nikel Kaplama | ||
| SF**P8M150 | SF**P8M250 | S45C'ye eşdeğer | SPCC | Siyah Oksit Kaplama |
| SN**P8M150 | SN**P8M250 | Nikel Kaplama | ||
Zamanlama Kasnağı S2M

Zamanlama Kasnağı S3M

Zamanlama Kasnağı S5M

Zamanlama Kasnağı S8M

Zamanlama Kasnağı HTD3M

Zamanlama Kasnağı HTD5M

Zamanlama Kasnağı HTD8M

Zamanlama Kasnağı P2M

Zamanlama Kasnağı P3M

Zamanlama Kasnağı P5M

Zamanlama Kasnağı P8M

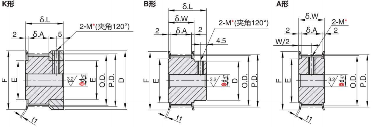
④ Kasnak Profili


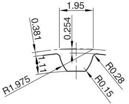
Diş oluğu boyutları, diş sayısına bağlı olarak biraz değişiklik gösterir. Diş aralığı (2 mm)
H (yuvarlak delik), V, F (kademeli delik) ve Y (her iki uçta kademeli delik) şaft deliği spesifikasyonları için dişli delik yoktur.
Mil deliğinin iç kısmı yüzey işlemine tabi tutulmamış olabilir.
* A tipi kasnaklar ve P veya N şaft delikleri için, iki dişli delik diş oluğunun merkezinden yaklaşık 120° veya 90° uzaklıkta yer alır.
④ Kasnak Profili


Diş oluğu boyutları, diş sayısına bağlı olarak biraz değişiklik gösterir. Diş aralığı (3 mm)
H (yuvarlak delik), V, F (kademeli delik) ve Y (her iki uçta kademeli delik) şaft deliği spesifikasyonları için dişli delik yoktur.
Mil deliğinin iç kısmı yüzey işlemine tabi tutulmamış olabilir.
* A tipi kasnaklar ve P veya N açılı mil delikleri için, iki dişli delik diş oluğunun merkezinden yaklaşık 120° veya 90° uzaklıkta yer alır.
④ Kasnak Profili


Diş oluğu boyutları, diş sayısına bağlı olarak biraz değişiklik gösterir. Diş aralığı (5 mm)
H (yuvarlak delik), V, F (kademeli delik) ve Y (her iki uçta kademeli delik) şaft deliği spesifikasyonları için dişli delik yoktur.
Mil deliğinin iç kısmı yüzey işlemine tabi tutulmamış olabilir.
* A tipi kasnaklar ve P veya N delikli mil delikleri için, iki dişli delik diş oluğunun merkezinden yaklaşık 120° veya 90° uzaklıkta yer alır.
④ Kasnak Profili


Diş oluğu boyutları, diş sayısına bağlı olarak biraz değişiklik gösterir. Diş aralığı (8 mm)
72 diş için t = 2 (tornalanmış flanş)
H (yuvarlak delik), V, F (kademeli delik) ve Y (her iki uçta kademeli delik) şaft deliği spesifikasyonları için dişli delik bulunmamaktadır.
Mil deliğinin iç kısmı yüzey işlemine tabi tutulmamış olabilir.
* A tipi kasnaklar ve P veya N açılı mil delikleri için, iki dişli delik diş oluğunun merkezinden yaklaşık 120° veya 90° uzaklıkta yer alır.
④Kasnak Profili


Diş oluğu boyutları, diş sayısına bağlı olarak biraz değişiklik gösterir. Diş aralığı (3 mm)
H (yuvarlak delik), V, F (kademeli delik) ve Y (her iki uçta kademeli delik) şaft deliği spesifikasyonları için dişli delik yoktur.
Mil deliğinin iç kısmı yüzey işlemine tabi tutulmamış olabilir.
* A tipi kasnaklar ve P veya N açılı mil delikleri için, iki dişli delik diş oluğunun merkezinden yaklaşık 120° veya 90° uzaklıkta yer alır.
Zamanlama Kasnağı HTD5M
④ Kasnak Profili


Diş oluğu boyutları, diş sayısına bağlı olarak biraz değişiklik gösterir. Diş aralığı (5 mm)
H (yuvarlak delik), V, F (kademeli delik) ve Y (her iki uçta kademeli delik) şaft deliği spesifikasyonları için dişli delik yoktur.
Mil deliğinin iç kısmı yüzey işlemine tabi tutulmamış olabilir.
* A tipi kasnaklar ve P veya N açılı mil delikleri için, iki dişli delik diş oluğunun merkezinden yaklaşık 120° veya 90° uzaklıkta yer alır.
④ Kasnak Profili


Diş oluğu boyutları diş sayısına bağlı olarak bir miktar değişiklik gösterir.
Diş Aralığı (8mm)
H (yuvarlak delik), V, F (kademeli delik) ve Y (her iki uçta kademeli delik) şaft deliği spesifikasyonları için dişli delik yoktur.
Mil deliğinin iç kısmı yüzey işlemine tabi tutulmamış olabilir.
* A tipi kasnaklar ve P veya N şaft delikleri için, iki dişli delik diş oluğunun merkezinden yaklaşık 120° veya 90° uzaklıkta yer alır.
④ Kasnak Profili

Diş oluğu ölçüleri diş sayısına bağlı olarak bir miktar (2mm) değişiklik göstermektedir.
H (yuvarlak delik) ve V (kademeli delik) şaft deliği spesifikasyonlarında dişli delik bulunmamaktadır. Bazı boyutlarda dişli delik kabartması bulunabilir.
Mil deliğinin iç kısmı yüzey işlemine tabi tutulmamış olabilir.
* A tipi mil delikleri ve P/N delikleri olan kasnaklarda, iki dişli delik diş oluğunun merkezinden yaklaşık 120° veya 90° uzaklıkta yer alır.
④ Kasnak Profili


Diş oluğu ölçüleri diş sayısına bağlı olarak bir miktar (3mm) değişiklik göstermektedir.
H (yuvarlak delik) ve V (kademeli delik) şaft deliği spesifikasyonlarında dişli delik bulunmamaktadır. Bazı boyutlarda dişli delik kabartması bulunabilir.
Mil deliğinin iç kısmı yüzey işlemine tabi tutulmamış olabilir.
* A tipi mil delikleri ve P/N delikleri olan kasnaklarda, iki dişli delik diş oluğunun merkezinden yaklaşık 120° veya 90° uzaklıkta yer alır.
④ Kasnak Profili


H (yuvarlak delik), V, F (kademeli delik) ve Y (her iki uçta kademeli delik) şaft deliği spesifikasyonlarında dişli delik yoktur. Bazı boyutlarda dişli delik kabartması bulunabilir.
Mil deliğinin iç kısmı yüzey işlemine tabi tutulmamış olabilir.
* A tipi kasnaklar ve P veya N delikli mil delikleri için, iki dişli delik, diş oluğunun merkezinden yaklaşık 120° veya 90° uzaklıkta bulunmalıdır.
④ Kasnak Profili


H (yuvarlak delik), V, F (kademeli delik) ve Y (her iki uçta kademeli delik) şaft deliği spesifikasyonlarında dişli delik yoktur. Bazı boyutlarda dişli delik kabartması bulunabilir.
Mil deliğinin iç kısmı yüzey işlemine tabi tutulmamış olabilir.
* A tipi kasnaklar ve P veya N delikli mil delikleri için, iki dişli delik, diş oluğunun merkezinden yaklaşık 120° veya 90° uzaklıkta bulunmalıdır.